Zurück zu
>
Roth / TORO
>
Aufsitzmäher
>
Traktor
>
12-38 HXL
>
392/71203
>
3900001
>
Elektrik
Ersatzteillisten für Toro Roth / TORO Elektrik
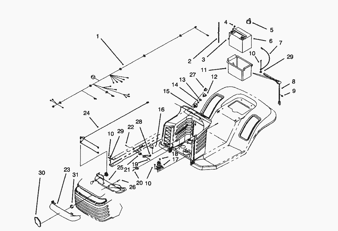
Pos.
Bezeichnung
Ersatzteilnummer
Switch-Ignition
88-9830
Pos.
Bezeichnung
Ersatzteilnummer
1
Harness-Wire
88-4310
2
Schlauch
56-2540
3
Schraube
321-4
4
Fluegelmutter
32103-22
5
Gummikappe
28-8080
6
Battery-7 Plate
80-2600
7
Massekabel
44-8110
8
Schalter
38-1420
9
Kabelklemme
702366
10
Schraube
32144-4
11
Batteriekasten
88-4040
12
Schluessel
63-8360
13
Flachmutter
218-461
14
Lockwasher
3254-5
16
Schaltrelais
116397
17
Solenoid-Starter
47-1910
18
Mutter
32149-2
19
Screw
910478
20
Switch-Micro
88-9931
21
Distanzbuechse
88-4880
22
Mutter
3290-354
23
Scheinwerferglas
88-3960
24
Harness-Wire
88-4320
25
Reflector & Lamp
88-3970
26
Schraube
32144-32
27
Switch-Rocker
88-4420
28
Seal-Plunger
88-4480
29
Scheibe
3255-7
30
Platte
80-2240
31
Klammer
3290-299
Gebrauchsanweisungen
Toro
Roth / TORO
Aufsitzmäher
Traktor
264-6
246 HE
244-5
212-H
212-5
17-44 HXLE
16-44 HXL
16-38 HXL
16-38 XLE
15-44 HXL
15-38 HXL
14-38 HXL
14-38 XL
13-38 HXL
13-38 XL
13-32 XLE
12-38 HXL
392/71203
3900001
Motor B&S (Modell 286707-0452-01)
Kabel & Abdeckung (38 Schneideinheit) Cable & Cover Assy. (38 Cutting Unit)
Bremse (38 Schneideinheit) Brake Assy. (38 Cutting Unit)
Gehäuse & Spindel (38 Schneideinheit) Housing & Spindle Assy. (38 Cutting Unit)(Model No. 71203 only)
Gehäuse & Spindel (38 Schneideinheit) Housing & Spindle Assy. (38 Cutting Unit)(Model No. 71181 only)
Schnitthöhe
Getriebeachse
Elektrik
Geschwindigkeitsbetätigung & Hinterrad
Kupplung
Motor
Lenkung
Vorderachse
Sitz
Haube
Rahmen
12-38 XL
12-32 XL
264 H
265 H
267 H
268 H
270 H
520 xi
520 Lxi
523 Dxi
Rider
Mähwerke
Zubehör
Handgeräte
Robin
Impressum
(C) by motoruf