Zurück zu
motoruf
Warenkorb

Ersatzteillisten für Toro Roth / TORO Betätigung, Paneele & Abdeckung




Pos.BezeichnungErsatzteilnummer
Upper Shroud Assembly (Incl. Ref.12-4649
Control Panel Assembly (Incl. Ref.12-4659
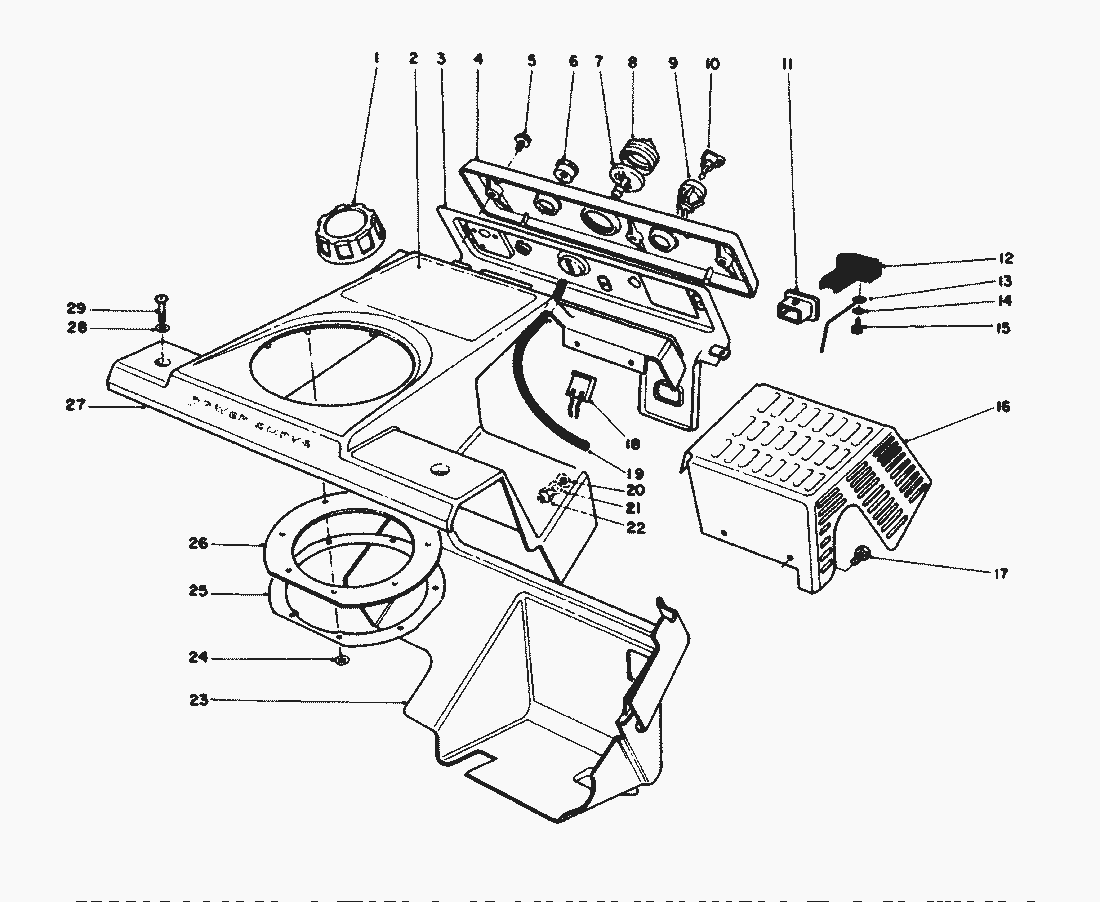
Ersatzteilliste


Pos.BezeichnungErsatzteilnummer
1Gas Cap Assembly55-3573
2Decal-CCR-200072-9970
4Namensplatte55-9350
Abdeckplatte60-9490
5Schraube32144-112
6Seilfuehrung55-9410
7Primer-Koerper44-2750
8Primerknopf66-7460
9Zuendschloss40-5940
10Schluessel63-8360
11Passtueck55-8820
12Control-Choke (Model No. 38180)55-8810
Starterklappe55-8811
13Linkage-Choke61-4651
14Scheibe3256-49
15Schraube32144-111
16Shield-Heat55-9210
17Schraube32105-8
18Steckverbindung218-532
19Hose-Primer44-3171
20Washer-Rubber55-9660
21Scheibe3256-14
22Mutter3296-12
23Shroud-Lower55-8790
24Hutmutter3290-474
25Retainer-Chute Seal55-9540
26Seal-Chute55-9260
28scheibe3256-22
29Screw-Phillips3250-32
Gebrauchsanweisungen
Toro
Impressum
(C) by motoruf