Zurück zu
motoruf
Warenkorb

Ersatzteillisten für Toro Roth / TORO Betätigung, Paneele & Abdeckung




Pos.BezeichnungErsatzteilnummer
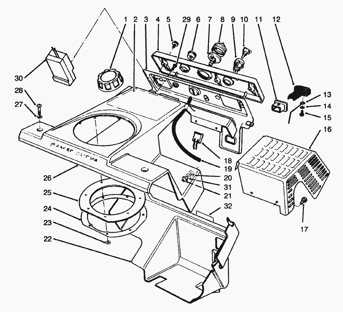
Control Panel Assembly (Incl. Ref.12-4659
Ersatzteilliste


Pos.BezeichnungErsatzteilnummer
1Gas Cap Assembly55-3573
2Namensschild77-5220
4Name Plate Control (Model No. 38185)61-4410
Name Plate Control (Model No. 38186)94-2569
5Schraube32144-112
6Seilfuehrung55-9410
7Primer-Koerper44-2750
8Primerknopf66-7460
9Zuendschloss40-5940
10Schluessel63-8360
11Passtueck55-8820
12Control-Choke (Model No. 38180)55-8810
Starterklappe55-8811
13Linkage-Choke61-4651
14Scheibe3256-49
15Schraube32144-111
16Shield-Heat55-9210
17Schraube32105-8
18Steckverbindung218-532
19Hose-Primer44-3171
20Washer-Rubber55-9660
21Mutter3296-12
22Haube-U.T.55-8791
23Hutmutter3290-474
24Retainer-Chute Seal55-9540
25Seal-Chute55-9260
26Haube94-2795
27scheibe3256-22
28Screw-Phillips3250-32
29Thread Forming Screw32144-27
30
31Scheibe3256-14
32Decal-Warning (Model No. 38176 Only)94-2581
Gebrauchsanweisungen
Toro
Impressum
(C) by motoruf