Zurück zu
>
Roth / TORO
>
Handgeräte
>
Schneefräsen
>
zweistufig
>
824
>
612/38080
>
2000001
>
Antrieb (Fortsetzung)
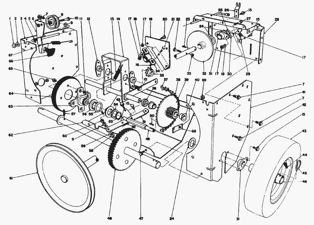
Ersatzteillisten für Toro Roth / TORO Antrieb (Fortsetzung)
Pos.
Bezeichnung
Ersatzteilnummer
43
Reifen
231-120
44
Schlauch 14x4.00-6
232-46
45
Stift
3290-243
46
Felge
241-128
47
Schraube
32144-10
48
Achse U.Zahnrad Kompl.
20-1680
49
Welle
20-1630
50
Keil
3-6168
51
Linkage Shift
20-1780
52
Halteplatte
20-1770
53
Sicherungsring
32151-36
54
Scheibe
252-71
55
Ringschraube
11-8050
56
Scheibe
11-8080
57
Stift
32121-9
58
Flange Nut
32128-12
59
Scheibe
3290-212
60
Stopmutter
3296-6
61
Riemenscheibe M. Welle
22-7930
62
Lower Shield
20-1840
63
Reibradaufnahme
20-3310
64
Reibrad
40-8170
65
Mutter
3296-47
66
Bremsbelag
66-8060
67
Bracket-Spring
66-6750
69
Mutter
32153-2
Loose Parts Kit
12-0179
Ketten-Satz
56-2700
Gebrauchsanweisungen
Toro
Roth / TORO
Aufsitzmäher
Handgeräte
Kehrmaschinen
Schneefräsen
Zubehör
zweistufig
1332 PowerShift
1232 PowerShift
1132 PowerShift
1132
1028 PowerShift
924 PowerShift
828 PowerShift
824 PowerShift
824 XL
824
612/38080
8000001
7000001
6000001
5000001
4000001
3900001
2000001
Rücklaufstarter Nr. 590630
Motor Tecumseh (Modell-Nr. HM80-155438 P)
Vergaser Nr. 632334A
Elektrostart Nr. 37-4810
Beleuchtungssatz Nr. 54-9822 (wahlw.)
Wetterschutz Modell 42-3380 (wahlw.)
Holm (Fortsetzung)
Holm
Motor
Antrieb (Fortsetzung)
Antrieb
Trommel (Fortsetzung)
Trommel
724
624 PowerShift
622
521
3521
einstufig
Sauger/Bläser
Rasenmäher
Robin
Impressum
(C) by motoruf